首页
公司介绍
新闻中心
组织机构
服务理念
售后服务
联系我们
产品中心
jtgk.png

产品中心

BKH,MKH高压球阀

您的位置:阀门 - 球阀 - BKH,MKH高压球阀 更新时间:2024-09-03 09:09:43
BKH,MKH高压球阀
    • 质量安全:压力、材质、密封等全方位检测确保质量过关!
    • 价格比较:在相同品质的情况下,厂里直销,更具有优势!
    • 交货快捷:常规产品现货供应,生产加工销售一条龙服务!
      导读:BKH、MKH高压球阀适用于液压系统和化工系统的各种管路上做为启闭用。开关迅速、方便,流体阻力小,是所有阀类中流体阻力最小的一种只...

    • 产品描述
    • 在线询价
    • 技术咨询
    BKH,MKH高压球阀BKH,MKH高压球阀

    BKH、MKH高压球阀适用于液压系统和化工系统的各种管路上做为启闭用。开关迅速、方便,流体阻力小,是所有阀类中流体阻力最小的一种只要阀杆转动90°,球阀就完成了全开或全关动作,很容易实现快速启闭。阀杆密封可靠。球阀启闭时阀杆只作旋转运动,因此阀杆的填料密封不易被破坏,而且阀杆倒密封的密封力随着介质压力的增加而增大。适用介质:液压油、水一乙二醇、其它混合液体。

    产品名称: BKH、MKH高压球阀 产品型号: BKH、MKH
    公称通径: DN6~DN50 结构形式: 球形
    公称压力: 16.0Mpa~31.5Mpa~50.0Mpa 连接方式: SAE法兰
    适用温度: -20~+100℃~+170℃ 驱动方式: 手动
    阀体材质: 铸钢、不锈钢 制造标准: 国标GB、德国DIN、美国API、ANSI
    适用介质: 水、油、气 生产厂家: 上海凯利科阀门有限公司

    产品说明

    BKH、MKH高压球阀适用于液压系统和化工系统的各种管路上做为启闭用。开关迅速、方便,流体阻力小,是所有阀类中流体阻力最小的一种只要阀杆转动90°,球阀就完成了全开或全关动作,很容易实现快速启闭。阀杆密封可靠。球阀启闭时阀杆只作旋转运动,因此阀杆的填料密封不易被破坏,而且阀杆倒密封的密封力随着介质压力的增加而增大。适用介质:液压油、水一乙二醇、其它混合液体。

    产品特点

    BKH、MKH高压球阀是我公司引进德国先进技术工艺,主要用于液压管路中控制油液的流通和截止,本型球阀具有流阻损失小,密封性能可靠,操作方便,外观精美等特点。 

    图形符号

    型号说明



    ①产品代号:BKH、MKH系列高压球阀
    ②接头标准:SAE J518C标准
    ③压力等级:210、420 bar
    ④公称通径:13、20、25、32、40、50 mm

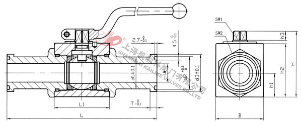
    外形结构图

    主要外形尺寸表

    简略型号 bar DN LW L L1 B H h1 h2 h3
    BKH-SAE-FS-210-13 210 13 13 151 47 35 49 18 38 10
    BKH-SAE-FS-420-13 420 13 13 151 47 35 49 18 38 10
    BKH-SAE-FS-210-20 210 20 19 162 60 48 70 25 55 11
    BKH-SAE-FS-420-20 315 20 19 174 60 48 70 25 55 11
    BKH-SAE-FS-210-25 210 25 25 178 65 57 79 28.5 64 11
    BKH-SAE-FS-420-25 315 25 22 198 65 57 79 28.5 64 11
    BKH-SAE-FS-210-32 210 32 30 191 84 75 101 37.5 84 12
    BKH-SAE-FS-420-32 350 32 27 223 84 75 101 37.5 84 12
    BKH-SAE-FS-210-40 210 40 36 231 91 85 112 42.5 95 12
    BKH-SAE-FS-420-40 350 40 32 281 91 85 112 42.5 95 12
    BKH-SAE-FS-210-50 210 50 48 232 100 104 131 62 112.5 12
    BKH-SAE-FS-420-50 350 50 45 316 100 104 131 62 112.5 12

    主要外形尺寸表

    SW1 SW2 T d1 d2 d3 美标O形圈
    09 30 6.8 24 25.5 30.2 18.6×3.5
    09 30 7.9 24 25.5 31.8 18.6×3.5
    12 41 6.8 31.7 31.9 38.1 25×3.5
    12 41 8.9 32 31.9 41.3 25×3.5
    12 50 8.1 38 39.8 44.4 32.9×3.5
    12 50 9.6 38 39.8 47.6 32.9×3.5
    14 60 8.1 43 44.6 50.8 37.7×3.5
    14 60 10.4 44 44.6 54 37.7×3.5
    14 70 8.1 50 54.1 60.3 47.2×3.5
    14 70 12.7 51 54.1 63.5 47.2×3.5
    14 90 9.6 62 63.6 71.4 56.7×3.5
    14 90 12.7 67 63.6 79.4 56.7×3.5
     

    声明:【BKH,MKH高压球阀】规格型号、结构尺寸由上海凯利科阀门有限公司提供,如何选择适用的BKH,MKH高压球阀产品,使之在工艺控制中安全可靠、经济适用,可致电我司销售部门及技术部门,我们将在最短的时间内为您解答!

    

    Copyright ©2011-2023 上海凯利科阀门有限公司,版权所有。 京ICP证000000号

    销售电话:021-31001158

    手机号码:13816746668 陈国辉/经理

    电子邮件:klkvalves@126.com@126.com

    主营产品:球阀,闸阀,蝶阀,截止阀,止回阀,调节阀

    本周热门:不锈钢阻火器全天候呼吸阀气动球阀气动蝶阀气动刀闸阀气动调节阀电动球阀电动蝶阀电动刀闸阀电动调节阀不锈钢球阀不锈钢闸阀不锈钢截止阀不锈钢止回阀不锈钢电磁阀高压电磁阀高压球阀波纹管截止阀

    官方网址:www.fm058.com